傳真:0523-88605809 聯系人:劉先生 手機:13952675791、13952640798 地址:江蘇.姜堰區婁莊鎮連心工業園區
|
 |
產品展示
PRODUCT
當前位置:首頁 > 產品展示
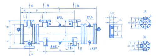
2LQF1W系列冷卻器

|
|
|
型號 |
10/19F |
10/25F |
10-29F |
10/36F |
10/45F |
10/55F |
10/68F |
10/77F |
10/100F |
10 /135F |
10/176F |
10/244F |
10/299F |
|
A |
2690 |
2690 |
2670 |
2640 |
2670 |
2590 |
2590 |
2590 |
2690 |
2620 |
4700 |
4800 |
5800 |
|
C |
360 |
415 |
445 |
495 |
550 |
600 |
655 |
705 |
805 |
905 |
805 |
908 |
908 |
|
D1 |
280 |
280 |
280 |
280 |
280 |
335 |
335 |
405 |
405 |
405 |
405 |
405 |
405 |
|
D2 |
190 |
190 |
215 |
215 |
280 |
280 |
280 |
280 |
335 |
335 |
335 |
335 |
335 |
|
D3 |
240 |
240 |
240 |
240 |
240 |
295 |
295 |
355 |
355 |
355 |
355 |
355 |
355 |
|
D4 |
160 |
160 |
185 |
195 |
240 |
240 |
240 |
240 |
295 |
295 |
295 |
295 |
295 |
|
Dg |
273 |
325 |
351 |
402 |
450 |
500 |
560 |
600 |
700 |
800 |
705 |
810 |
810 |
|
d2 |
80 |
80 |
100 |
100 |
150 |
150 |
150 |
150 |
200 |
200 |
200 |
200 |
200 |
|
d3 |
8-ф23 |
8-ф23 |
8-ф23 |
8-ф23 |
8-ф23 |
12-ф23 |
12-ф23 |
12-ф23 |
12-ф25 |
12-ф25 |
12-ф25 |
12-ф25 |
12-ф25 |
|
d4 |
8-ф18 |
8-ф18 |
8-ф18 |
8-ф18 |
8-ф23 |
8-ф23 |
8-ф23 |
8-ф23 |
8-ф23 |
8-ф23 |
8-ф23 |
8-ф23 |
8-ф23 |
|
d5 |
4孔16×22 |
4孔16×32 |
4孔16×32 |
4孔19×32 |
4孔19×32 |
4孔19×32 |
4孔19×32 |
4孔19×22 |
4-ф22 |
4-ф22 |
4-ф22 |
4-ф22 |
4-ф22 |
|
F1 |
200 |
200 |
250 |
270 |
300 |
325 |
325 |
400 |
435 |
435 |
430 |
480 |
480 |
|
G |
240 |
240 |
280 |
285 |
310 |
345 |
345 |
355 |
360 |
375 |
425 |
450 |
450 |
|
H |
190 |
216 |
268 |
292 |
305 |
330 |
300 |
380 |
432 |
482 |
435 |
485 |
485 |
|
H1 |
248 |
280 |
298 |
324 |
350 |
375 |
375 |
432 |
490 |
540 |
489 |
540 |
540 |
|
h |
10 |
10 |
10 |
10 |
10 |
14 |
14 |
14 |
14 |
14 |
14 |
14 |
14 |
|
L |
3460 |
3470 |
3510 |
3520 |
3580 |
3630 |
3640 |
3655 |
3770 |
3770 |
5709 |
6022 |
7059 |
|
M |
140 |
145 |
160 |
165 |
190 |
195 |
200 |
205 |
255 |
255 |
201 |
611 |
611 |
|
P |
290 |
292 |
310 |
320 |
345 |
385 |
390 |
395 |
475 |
475 |
381 |
404 |
404 |
|
T |
2690 |
2690 |
2690 |
2680 |
2680 |
2615 |
2600 |
2595 |
2510 |
2510 |
4705 |
4993 |
5905 |
|
U |
60 |
60 |
85 |
85 |
85 |
100 |
100 |
100 |
100 |
125 |
125 |
125 |
125 |
|
V |
35 |
35 |
50 |
50 |
50 |
70 |
70 |
70 |
100 |
100 |
100 |
100 |
100 | |
| |
|
|
|
我廠將根據客戶來樣來圖非標產品進行設計,報價.. |
|